Products
工藝設計
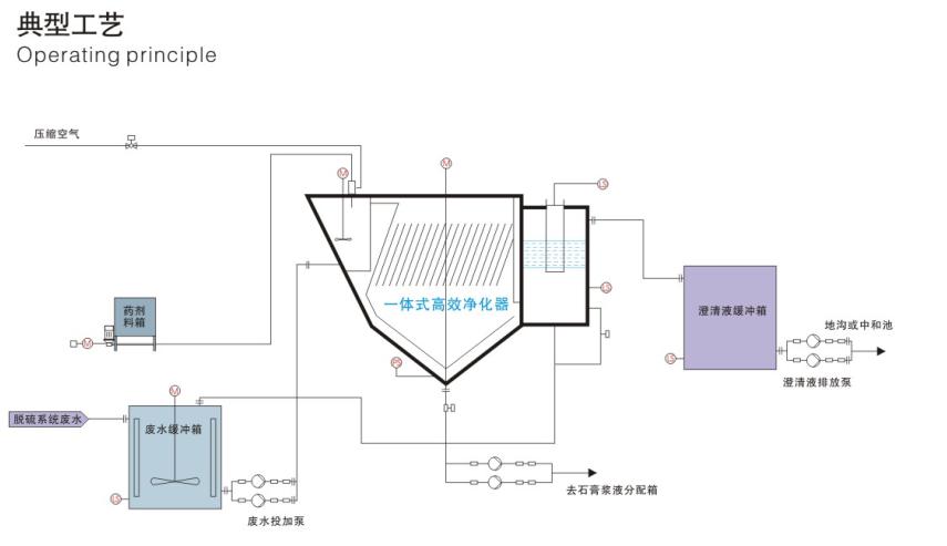
脫硫廢水零排放工藝設計 More+
高性價比的桑尼脫硫廢水“一步法”達標排放工藝
桑尼一直關注熱電廠脫硫廢水的產生,貯存,處理及再利用的有效管制。以期促進人的健康,環境保護和自然資源管理。2015年以來,桑尼依托于各大高校的重點實驗室及研究所一直致力于熱電廠脫硫廢水處理工藝的研究,脫硫廢水“一步法”達標排放工藝的核心設備及藥劑的成功開發也使得在該領域實現“無廢”生產變得可能,為熱電廠水資源的綜合利用提供了寶貴技術,產生了巨大的經濟效益。

我公司承接FGD濕法脫硫工藝中的脫硫廢水零排放整套工藝設計、施工總承包,按合同約定,承擔工程項目設計和施工,并對承包工程的質量、安全、工期、造價全面負責。
售后服務
煙臺桑尼核星環保設備有限公司售后服務部隨公司成立之日起組建,現已形成規模60余人,下分為礦山服務組,電廠服務組,污水及空氣凈化服務組,電氣組,服務全國80%的電廠脫硫設備。
售后服務部主要職責是對客戶產品使用、安裝調試、故障排除及現場維護的培訓與指導工作。售后工程師均甄選至機械類相關專業畢業生,在公司經過專業的技術培訓,并且在多個現場經過實習。所以售后工程師除了具備專業的技能外還擁有豐富的實戰經驗,對于現場出現的各種問題都能夠給予專業的技術指導,給客戶提供優質的售后服務。
售后服務的流程大致可分為三個階段包括安裝、調試、投料運行。設備從投料運行之日起開始質保。在質保期內,售后人員還予以提供故障排查,設備維護,以及故障解除方案等服務。



